更多相關產品
- LG-GDQ03型城市軌道交通電力牽引控制實驗臺
- LG-GDD03型城市軌道交通列車電氣回路系統(tǒng)教學平臺
- LG-GDM01型地鐵站臺屏蔽門系統(tǒng)模擬實驗實訓裝置
- LG-GDD01型地鐵站臺電源模擬實驗實訓臺
- LG-GDD02型城市軌道車輛輔助電源系統(tǒng)模擬實驗實訓臺
- LG-GDQ01型城市軌道車輛牽引控制系統(tǒng)模擬
- LG-GDQ02型城市軌道車輛牽引電動機實驗實訓裝置
- LG-GDZD02K型城市軌道交通車輛空氣制動模擬系統(tǒng)實驗臺
- LG-GDCZ系列城市軌道交通線路與站場實訓模型清單
- LG-GYXH01型鐵路信號基礎實訓設備
- LG-GDXH01型城市軌道交通道岔信號實訓系統(tǒng)實驗臺
- LGGD-S700K型提速道岔S700K轉轍機實訓演練平臺
- LG-DZDL03型電子電路安裝與調試實訓平臺
- LG-GSDQ01C型初級軌道電氣安裝調試實訓裝置
- LG-GSDQ02型軌道電氣控制安裝調試實訓裝置
- LGJT-DQ01型動車組(CRH3)電氣控制系統(tǒng)安裝與維修實訓
- LGGD-BAS01型 綜合監(jiān)控系統(tǒng)實驗臺
- LG-GDM002型 屏蔽門控制系統(tǒng)實驗臺
- LGGD-ZM01型 軌道交通車站配電及照明控制系統(tǒng)實訓臺
- LGY-DK03A型電力機車(HXD2B)電氣控制系統(tǒng)安裝與維修實訓考核裝置
- LGY-DK02型動車組(CRH380B)電氣控制系統(tǒng)安裝與維修實訓考核裝置
- LGY-GD01A型動車組電氣控制檢修與調試實訓考核設備
- LGY-GD01C型城鐵列車電氣控制系統(tǒng)檢修與調試實訓考核裝置
- LGY-GD01B型城軌客車調試技能實訓考核裝置
LG-GDD03型城市軌道交通列車電氣回路系統(tǒng)教學平臺

LG-GDD03型 城市軌道交通列車電氣回路系統(tǒng)教學平臺實現了地鐵列車主要電氣回路的電路運行與電路邏輯演示,駕駛室主副控制臺及輔助開關的操作,電氣回路中的故障設置與測試,以及電路控制后的列車動作動畫效果顯示。
一、組成及特點
LG-GDD03型 城市軌道交通列車電氣回路系統(tǒng)教學平臺使用真實走線、真實器件及LED流水燈等方式,真實、直觀、動態(tài)的呈現出地鐵列車電氣回路的控制邏輯;使用LED點陣顯示屏與列車電氣回路動作關聯(lián),演示列車升降弓、高斷閉合斷開、列車牽引制動、列車前進后退等動畫效果圖;在電路中設置故障開關和電路測試點,可人為切斷電路回路仿真電路故障,通過工具測量、分析后可排除故障。
(一)真實,即平臺中的控制回路是地鐵列車真實的電氣回路,真實的開關旋鈕。
LG-GDD03型 城市軌道交通列車電氣回路系統(tǒng)教學平臺中的控制回路參照列車電氣回路原理圖,使用真實電氣器件及真實連線,完成了一個真實的實驗室列車電氣回路的控制系統(tǒng)。仿真系統(tǒng)涉及的電路是由主要控制和具代表性的26幅電路原理圖組成。
LG-GDD03型 城市軌道交通列車電氣回路系統(tǒng)教學平臺中電氣連接關系是真實的,但是為了適合作為實驗室設備使用,其組成的電氣器件和電氣參數還是做了必要的調整,主要調整如下。
(1)實際電氣回路中的直流110V電壓,仿真系統(tǒng)中調整為直流24V;
(2)實際電氣回路中的各種接觸器、繼電器,仿真系統(tǒng)中均使用線圈電壓為DC24V的小型繼電器代替。
(3)實際電氣回路中的熔斷保護器,仿真系統(tǒng)中使用通斷開關代替。
(4)實際電氣回路中的部分監(jiān)測單元,仿真系統(tǒng)中由相應電路采集并送往處理單元。
(5)實際電路回路中的電氣開關,仿真系統(tǒng)中使用功能相同的開關器件代替。如鑰匙開關,急停按鈕等等,如下圖所示。
LG-GDD03型 城市軌道交通列車電氣回路系統(tǒng)教學平臺使用真實走線、真實器件及LED流水燈等方式,真實、直觀、動態(tài)的呈現出地鐵列車電氣回路的控制邏輯;使用LED點陣顯示屏與列車電氣回路動作關聯(lián),演示列車升降弓、高斷閉合斷開、列車牽引制動、列車前進后退等動畫效果圖;在電路中設置故障開關和電路測試點,可人為切斷電路回路仿真電路故障,通過工具測量、分析后可排除故障。
(一)真實,即平臺中的控制回路是地鐵列車真實的電氣回路,真實的開關旋鈕。
LG-GDD03型 城市軌道交通列車電氣回路系統(tǒng)教學平臺中的控制回路參照列車電氣回路原理圖,使用真實電氣器件及真實連線,完成了一個真實的實驗室列車電氣回路的控制系統(tǒng)。仿真系統(tǒng)涉及的電路是由主要控制和具代表性的26幅電路原理圖組成。
LG-GDD03型 城市軌道交通列車電氣回路系統(tǒng)教學平臺中電氣連接關系是真實的,但是為了適合作為實驗室設備使用,其組成的電氣器件和電氣參數還是做了必要的調整,主要調整如下。
(1)實際電氣回路中的直流110V電壓,仿真系統(tǒng)中調整為直流24V;
(2)實際電氣回路中的各種接觸器、繼電器,仿真系統(tǒng)中均使用線圈電壓為DC24V的小型繼電器代替。
(3)實際電氣回路中的熔斷保護器,仿真系統(tǒng)中使用通斷開關代替。
(4)實際電氣回路中的部分監(jiān)測單元,仿真系統(tǒng)中由相應電路采集并送往處理單元。
(5)實際電路回路中的電氣開關,仿真系統(tǒng)中使用功能相同的開關器件代替。如鑰匙開關,急停按鈕等等,如下圖所示。

圖1-1 主駕駛控制臺

圖1-2 副駕駛控制臺

圖1-3 回路輔助控制臺

圖1-2 副駕駛控制臺

圖1-3 回路輔助控制臺
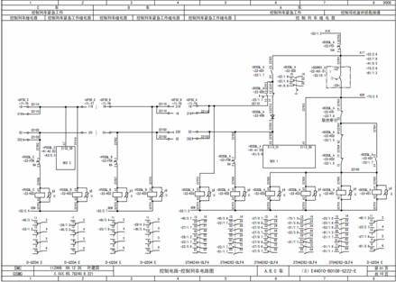
(二)直觀,即平臺上呈現的電路原理圖是由相關教學資源中電路圖為模板,嚴格按照原圖中的比例放大而來。電氣回路由LED燈等間隔排列組成,繼電器、旋鈕、模塊單元也用LED燈表示。如下圖舉例,圖2-1為教材中提供的一張電路原理圖,圖2-2為實驗平臺中的LED燈組成的原理圖。

圖2-1 教材中的原圖

圖2-2平臺中的LED燈組成的原理圖
(三)動態(tài),平臺上由LED組成的原理圖面板會根據當前實際控制回路的動作,動態(tài)地反應出電路狀態(tài)和邏輯關系,準確的呈現電氣回路中電氣段有無電,繼電器線圈得失電、觸點的斷開閉合及電氣段中電流的走向等狀態(tài)。

圖3-1 LED原理圖1顯示效果

圖3-2 LED原理圖2顯示效果
(四)平臺提供一幅長條型LED點陣顯示屏,用來演示列車升降弓、高斷閉合斷開、列車牽引制動、列車前進后退等主要動作動畫。當控制回路中符合升弓控制條件,顯示屏則演示升弓的動畫;當控制回路中符合列車前進牽引的條件,顯示屏則演示列車加速前進的動畫,若列車前行過程中牽引條件丟失,則演示列車制動或緊急制動的動畫。如下圖所示,列車升弓后效果圖。
(五)系統(tǒng)中設計有一個獨立加鎖的開關掛箱和多幅電路測試點面板。掛箱里面設置了幾十個通斷開關,每個通斷開關對應一個故障設置點,開關閉合表示線路通無故障,開關斷開表示線路斷有故障;電路測試點面板中,引出了列車電氣回路中主要繼電器的觸點測試點,可供學生測試觸點通斷或有無電。如下圖所示,圖5-1 測試點面板。
(五)系統(tǒng)中設計有一個獨立加鎖的開關掛箱和多幅電路測試點面板。掛箱里面設置了幾十個通斷開關,每個通斷開關對應一個故障設置點,開關閉合表示線路通無故障,開關斷開表示線路斷有故障;電路測試點面板中,引出了列車電氣回路中主要繼電器的觸點測試點,可供學生測試觸點通斷或有無電。如下圖所示,圖5-1 測試點面板。

圖5-1 測試點面板
二、系統(tǒng)現場拍攝圖片

圖6-1 學校及地鐵專業(yè)人員參觀

圖6-2 實驗平臺正面圖



